Flexitherm
Flexitherm™は、ビール殺菌のための自動低温殺菌装置です。 Flexitherm™は、微生物腐敗をなくし、低温殺菌温度を達成し、ビールや他の炭酸飲料の品質と有効期間を可変流量範囲で維持する低温殺菌法を採用しています。 この低温殺菌法は、無菌充填システムに送られるビールの最適で効率的な熱処理を提供するように調整されています。
微生物腐敗を減らし、ビール品質を維持します
- 安定した製品処理のための信頼性の高い低温殺菌装置(PU)制御システム(一定の動作中に目標レベルの+/- 10%以内のPU変動
- モジュールとしての最小設置工事は自蔵式で、自動制御で事前に組み立てられています
- CIP用に設計された衛生的でコンパクトなモジュールは、メンテナンスが少なく、ダウンタイムを最小限に抑えます
- 効果的なエネルギー回収率は最大95%
- プロセスを継続的に洗練された制御の洗練を特徴とする最先端の自動制御システム
Flexitherm™
Flexitherm™は、大容量ビール醸造加工の実績のあるコンセプトです。 熱の95%まで回復させることで運転コストを削減します*。
仕様
容量範囲に応じたおおよその寸法と重量:
容量= 40hl / hの場合、
寸法(LxWxH):3.2mx 2.0mx 2.2m
容量= 400hl / hの場合、
寸法(LxWxH):4.0mx 3.6mx 2.6m
*従来のトンネル式低温殺菌装置と比較して、全体の水消費量を0.42hl / hまで改善し、エネルギー使用率を5MJ / h向上させます

さらに詳しく
本製品の活用事例、作動原理、メリット、技術的な詳細については、製品カタログをご覧ください。

Flexitherm™Mini
クラフトビールメーカー向けに特別に設計されたFlexitherm™Miniは、さまざまな工芸ビールの個別の設定で、同じユニットに複数のレシピを保存できます。
仕様
容量:5-50 hl / h(3つの異なるモジュール)
寸法(LxWxH):4,000 x 2,000 x 2,000 mm

Ready to take your beer to the next level
Fill out a few simple questions about your operation, and our craft beer experts will follow up soon with a quote for Flexitherm™ Mini.

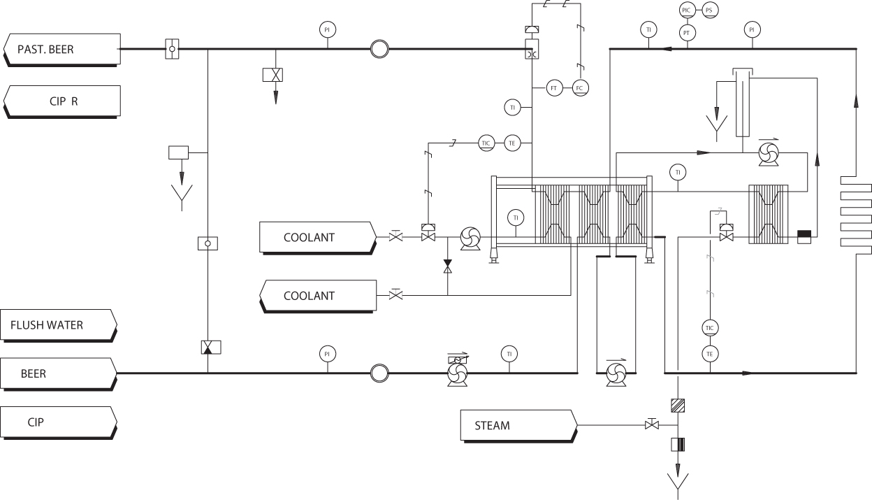
動作原理
動作の流れ
FLEXITHERMはプレート熱交換器(PHE)です。製品中の生きた微生物の数を減らしたり減らしたりするビールの低温殺菌のためのシステムです。 微生物腐敗を減少させ、微生物学的安定性を向上させ、製品の貯蔵寿命を延ばします。
Flexitherm™で低温殺菌温度を達成する
Flexitherm™は、熱と保持時間を組み合わせて必要な殺菌温度を達成します。 冷たい、低温殺菌されていないビールは、PHEにおいて2段階で望ましい低温殺菌温度まで加熱されます。 充填機の需要の変化に対応するためのFLEXITHERMフローの自動調整。 製品の再循環や低温殺菌のリスクは避けてください。
